Selex PRR H4855 Side assembly wiring diagram
Tällä sivulla on Selexin SIngle User Switch Interface wirind diagram ja projekti kuinka siitä saisi yhteensopivan myös muiden radioliittimien kanssa. Tavoite tehdä suoraan Peltorin vastamelukuulokkeisiin yhteensopivat malli sisältäen PCB:n, ja 3D tulostetun sivukuoren.
Kyljen sisällä on kaksipuoleinen flex pcb ja tähän on kytketty yhteensä 9 johdinta 12:sta.
Purkaminen

Kylki on liimattu kiinni liitäntäpaneelin puolelta. Lämmittämällä muovi taipuu ja näinolle on irrotettavissa esimerkiksi mattoveitsen avulla.
Kontaktipinnat ovat irroitettavissa toisesta osasta.
Napin juotokset tulee poistaa jotta koko piirin saa lopullisesti irti. Huomioi, että valkoisen liiman sisäll on magneettitunnistin/kytkin joka on tehty lasista. Suosittelen kaivamaan piirilevyn Kuulokeliitännän päästä, kun olet saanut napin juotettua irti. (2 kontaktipintaa keskellä piirilevyä suoraan nappia vastapäätä).
Liitäntäpinnat

| 1
+3V |
2
SPK |
3
(PTT) |
4
MIC |
|---|---|---|---|
| 5
NOT IN USE |
6
Magneettikytkin |
7
PTT |
8
GND |
| 9
222 Ω to GND |
10
Not in use |
11
Not in use |
12
Not in use |
Johtimien yhteys piirilevylle. Johdin 8. GND kulkee molemmilla puolilla piirilevyä punaisella merkityn via:n läpi. Vihreällä merkattu ydistää kosketuspinnat 7:n ja 3:n toisiinsa. Kuitenkin PTT toimii vain liitinpinnan 7 läpi. Kts kuva.
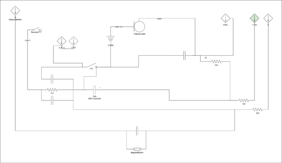
Wiring diagram
Kuuloke
Kuuloke on ainoa, joka on kytketty suoraan liitäntäpinnoilta 2 ja 8 LEMO 4 ja 3 liitäntään. Vaikka LEMO liitännässä on kaksi maata ovat molemmat yhdistettynä Selexin puolelta.
Mikrofoni
Todennäköisesti mikrofonipiiri sisältää low pass filtterin. Kuitenkaan en ole mitannut kondensaattoreiden kokoa. Tein kuitenkin simulaation 10uF ja 5uF vaihtoehdoilla, joissa 5uF komponentilla 1kHz taajuudella alenema on -31dBV ja 10uF kondensaattorilla 1kHz alenema on -40dBV. Itse mikrofoni kuulokkeen päässä mittautuu 1.9KΩ resistanssilla, joten voi olla että siinä on etuvastus sensitiivisyyden vähentämiseksi tai tuplamikrofoni taustamelun vähennykseksi, kuten jossain ohjekirjoissakin luki. [viite]

Tässä piirissä on 5uF kondensaattori vaihtoehto. Toinen kondensaattori linjassa on elektrolyyttikondensaattori, jossa on polariteetti. Koodi 106J joka kuvastaa 10uF:n arvoa.
Koko helapaskan wiring diagram
Magneettikytkin
Ei vielä ole ollut testausmahdollisuutta, joten ei toiminnasta tietoa. Lähteiden mukaan voisi parittaa remote PTT:n, mutta vastaanotin pitää olla radion päässä. Mikäli näin on niin tällä aktivoidaan remote PTT:n paritus.
3D Printtikuoret
Ei valmiit